Why measurements of the electrical properties of a device connected to a regulated AC power supply differ from those made when the device is connected to mains power
It is customary to express the power consumption of industrial devices in Volt-Amps (VA) because they tend to consume a lot of power. Some devices lack a power factor correction circuit, and therefore the waveform output by the device’s capacitor input filter is passed on unchanged to the device input. Occasionally, clients complain that when gathering production data, engineers find that readings do not conform to specification.
Let us consider why this happens. I took a series of readings with a load as the given measuring device, using first a regulated AC power supply (the PCR2000M) and then the mains supply.

As you can see from the above table, despite the voltage difference between the two power supplies only being around 0.7%, RMS current fell by 4.6% when using mains power while peak current fell by over 7.9%. You will see that this decrease in current also caused apparent power to fall by nearly 4%.
A comparison of the waveforms also reveals the drop in peak current.
- Plot 1: Voltage waveform (Volts)
- Plot 2: Voltage waveform (Amps)
(1) Waveforms measured on the PCR2000M and the KPM1000

(2) Mains Power (outlet on test bench)
When comparing these two graphs, the blue line on the bottom graph (voltage) distorts near the peak. What causes this?
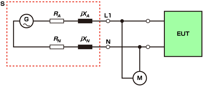
The diagram below shows the IEC61000-3-3 circuit when measuring flicker. Here, R and jx represent line impedance.
Line impedance is said to be the median of a range of readings taken on various distribution circuits.
The impedances are as follows:
RA = 0.24Ω jXA = 0.15Ω at 50Hz
RN = 0.16Ω jXN = 0.10Ω at 50Hz
Adding these together gives us 0.4Ω + jx0.25Ω, which yields a combined impedance of around 0.472Ω at 50 Hz.
Based on this, the voltage drop at peak current in a circuit having the above line impedance is calculated to be:
0.472Ω × 2.958(A) = 1.39(V)
In reality, however, capacitor input waveforms contain high frequency components, so the actual voltage drop at peak current resulting from the inductance component is much larger. It is this voltage drop that is responsible for the distortion.
Because a current reading taken on a circuit like this will obviously be lower than that measured on one with lower impedance, when deciding on the specifications of a device, we need to be careful to:
- measure low-capacity devices connected to a regulated AC power supply
- measure high-capacity devices close to the supply using thick cables.
Remember that if you determine a device’s specification based on the values measured from the electrical outlet, simply because the device has a power rating of less than 100W, your voltage margins will be decreased.


